BMS 7s 50A pentru baterie Li-Ion, cu senzor de temperatura

OEM
81,34 Lei
In stoc

Durata de livrare: 1

Limita stoc
Adauga in cos
Cod Produs: C188-5388 Ai nevoie de ajutor? 0731 811 891 / 0731 822 933
Adauga la Favorite Cere informatii
  • Descriere
  • Review-uri (0)

Dimensiunile reduse il fac excelent pentru aplicatii in care spatiul este limitat.
Tensiune nominală: 25.2V(7S);
Tensiune de incarcare: 29.4V
Curent de descarcare nominal: 50A;
Senzor de temperatura NTC
Dimensiuni  (Lxlxh): 78mm x 27mm x 5mm

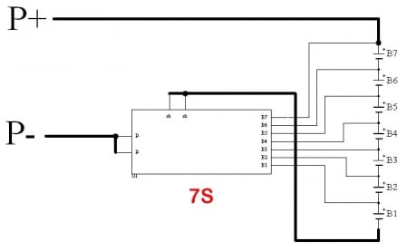
Pentru realiazrea conexiunilor consultati diagrama.
Asigurati-va ca sunt realizate corect conexiunile inainte de a conecta BMS-ul la baterie.
Nu ne asumam responsabilitatea pentru defectele cauzate de conectarea eronata.

Vezi mai mult Informatii conformitate produs
Daca doresti sa iti exprimi parerea despre acest produs poti adauga un review.

Review-ul a fost trimis cu succes.
+40731811891

Compara produse

Trebuie sa mai adaugi cel putin un produs pentru a compara produse.

A fost adaugat la favorite!

A fost sters din favorite!